Обрати сторінку
Обладнання для виробництва спеціальних хлібобулочних виробів

Обладнання для виробництва спеціальних хлібобулочних виробів

До спеціальних сортів хлібобулочних виробів належать бараночні та сухарні вироби, пряники, хлібні палички, соломка тощо. Трудомісткість виробництва цих виробів, як правило, у 3…5 разів вища порівняно з виробництвом масових сортів хліба. Це пов’язано зі...
Оборудование для производства сухарных изделий.

Оборудование для производства сухарных изделий.

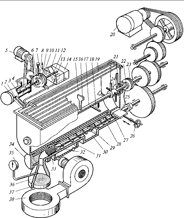
Для механизации производства сдобных и простых сухарей применяются специальные машины для формования и резки сухар­ных плит. Рис. 3.40. Машина для жгутового формования тестовых заготовок сухарных плит Для механизации прочих производственных операций используется...
Оборудование для производства сухарных изделий.

Оборудование для производства сухарных изделий.

Для механизации производства сдобных и простых сухарей применяются специальные машины для формования и резки сухар­ных плит. Рис. 3.40. Машина для жгутового формования тестовых заготовок сухарных плит Для механизации прочих производственных операций используется...
Оборудование для производства хлебных крекеров, палочек, соломки и пряников

Оборудование для производства хлебных крекеров, палочек, соломки и пряников

Машины для производства хлебных крекеров. Хлебные крекеры являются новым видом сухих завтраков, продуктом, готовым к употреблению. Они производятся из сухарной крошки (паниро- Рис. 3.44. Экструдер для производства хлебных крекеров войной муки) с добавлением соли,...
Оборудование для производства хлебных крекеров, палочек, соломки и пряников

Оборудование для производства хлебных крекеров, палочек, соломки и пряников

Машины для производства хлебных крекеров. Хлебные крекеры являются новым видом сухих завтраков, продуктом, готовым к употреблению. Они производятся из сухарной крошки (паниро- Рис. 3.44. Экструдер для производства хлебных крекеров войной муки) с добавлением соли,...
Оборудование хлебохранилищ и экспедиций.

Оборудование хлебохранилищ и экспедиций.

Хлеб, являясь наиболее массовым штучным продовольствен­ным грузом с наименьшим сроком реализации, требует жестких санитарных режимов, слабо выдерживает механические воздействия, особенно в первые часы после выпечки. С учетом этого важная роль должна отводиться...
Оборудование хлебохранилищ и экспедиций.

Оборудование хлебохранилищ и экспедиций.

Хлеб, являясь наиболее массовым штучным продовольствен­ным грузом с наименьшим сроком реализации, требует жестких санитарных режимов, слабо выдерживает механические воздействия, особенно в первые часы после выпечки. С учетом этого важная роль должна отводиться...
Оборудование для укладки хлебных изделий.

Оборудование для укладки хлебных изделий.

 С сортировочного стола хлебные изделия направляют в лотковые или безлотковые контейнеры. Для лотковых контейнеров используются трех- или четырехбортные лотки с решетчатым (для ржаных, ржано-пшеничных, формовых и подовых сортов) или сплошным (для бато­нов,...
Оборудование для укладки хлебных изделий.

Оборудование для укладки хлебных изделий.

 С сортировочного стола хлебные изделия направляют в лотковые или безлотковые контейнеры. Для лотковых контейнеров используются трех- или четырехбортные лотки с решетчатым (для ржаных, ржано-пшеничных, формовых и подовых сортов) или сплошным (для бато­нов, булочек,...
Устройство и работа макаронных прессов.

Устройство и работа макаронных прессов.

Прессы различаются конструкцией дозаторов, числом камер в тестомесильной машине и их расположением, числом прессую­щих шнеков, конструкцией прессующих головок, формой матриц и местом вакуумирования. Основные типы дозаторов: муки — шнековые, ленточные и роторные; воды...